-
021-511 2008
-
Follow Us:
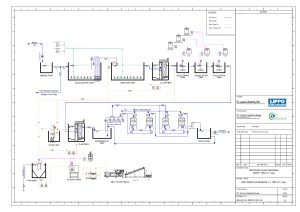
With the rapid industrial growth in Cikarang – particularly in Lippo Cikarang – wastewater volumes have increased significantly. The existing WWTP requires capacity expansion as it can no longer accommodate these additional wastewater flows.
PT Lippo Cikarang has entrusted Environusa with designing a WWTP Extension with:
This expansion project will ensure sustainable wastewater management while supporting the area’s continued development.
